Product Summary
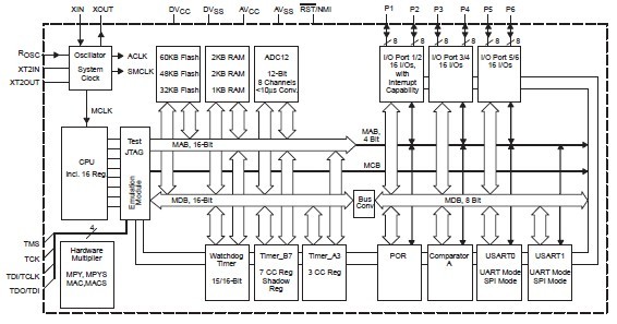
The MSP430F149IPM, a ultralow-power microcontroller consists of several devices featuring different sets of peripherals targeted for various applications. The architecture, combined with five low power modes is optimized to achieve extended battery life in portable measurement applications. The MSP430F149IPM features a powerful 16-bit RISC CPU, 16-bit registers, and constant generators that attribute to maximum code efficiency. The digitally controlled oscillator (DCO) allows wake-up from low-power modes to active mode in less than 6 μs. The MSP430F149IPM is a microcontroller configuration with two built-in 16-bit timers, one or two universal serial synchronous/asynchronous communication interfaces (USART), and 48 I/O pins. Typical applications include sensor systems that capture analog signals, convert them to digital values, and process and transmit the data to a host system. The timers make the configurations ideal for industrial control applications such as ripple counters, digital motor control, EE-meters, hand-held meters, etc. The hardware multiplier enhances the performance and offers a broad code and hardware-compatible family solution.
Parametrics
MSP430F149IPM absolute maximum ratings: (1)Voltage applied at VCC to VSS: -0.3 V to + 4.1 V; (2)Voltage applied to any pin: -0.3 V to VCC+0.3 V; (3)Diode current at any device terminal: ±2 mA; (4)Storage temperature (unprogrammed device): -55℃ to 150℃; (5)Storage temperature (programmed device): -40℃ to 85℃.
Features
MSP430F149IPM features: (1)Low Supply-Voltage Range, 1.8 V to 3.6 V; (2)Ultralow-Power Consumption: Active Mode: 280 μA at 1 MHz, 2.2V; Standby Mode: 1.6 μA; Off Mode (RAM Retention): 0.1 μA; (3)Five Power-Saving Modes; (4)Wake-Up From Standby Mode in less than 6 μs; (5)16-Bit RISC Architecture, 125-ns Instruction Cycle Time; (6)12-Bit A/D Converter With Internal Reference, Sample-and-Hold and Autoscan Feature; (7)16-Bit Timer_B With Seven Capture/Compare-With-Shadow Registers; (8)16-Bit Timer_A With Three Capture/Compare Registers; (9)On-Chip Comparator; (10)Serial Onboard Programming, No External Programming Voltage Needed Programmable Code Protection by Security Fuse.
Diagrams

| Image | Part No | Mfg | Description | ![]() |
Pricing (USD) |
Quantity | ||||||||||||
|---|---|---|---|---|---|---|---|---|---|---|---|---|---|---|---|---|---|---|
![]() |
![]() MSP430F149IPM |
![]() Texas Instruments |
![]() 16-bit Microcontrollers (MCU) 60 kB Flash 2KB RAM 12b ADC-2 USART-HW |
![]() Data Sheet |
![]()
|
|
||||||||||||
![]() |
![]() MSP430F149IPMG4 |
![]() Texas Instruments |
![]() 16-bit Microcontrollers (MCU) 16-bit Ultra-Lo-Pwr |
![]() Data Sheet |
![]()
|
|
||||||||||||
![]() |
![]() MSP430F149IPMR |
![]() Texas Instruments |
![]() 16-bit Microcontrollers (MCU) 60 kB Flash 2KB RAM 12b ADC-2 USART-HW |
![]() Data Sheet |
![]()
|
|
||||||||||||
![]() |
![]() MSP430F149IPMRG4 |
![]() Texas Instruments |
![]() 16-bit Microcontrollers (MCU) 16 bit Ultra Lo Pwr |
![]() Data Sheet |
![]()
|
|
||||||||||||
(Hong Kong)









