Product Summary
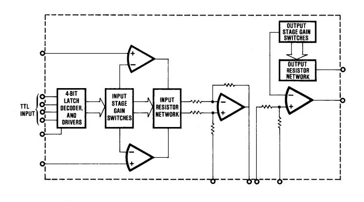
The 3606BG is a self-contained, programmable gain instrumentation amplifier. Its gain can be changed in 11 binary weighted steps from 1 to 1024V/V. The gain control is accomplished through a 4-bit TTL input. The 3606BG PGIA function allows the user to deal with wide dynamic range signal s while maintaing high system resolution.
Parametrics
3606BG absoltue maximum ratings: (1)Package/ Case 32-CDIP (0.900 inch, 22.86mm); (2)Slew Rate: 0.5 V/μs; (3)Current - Supply: 10mA; (4)Current - Output / Channel: 10mA; (5)Voltage - Supply, Single/Dual (±): ±8 V to 18 V; (6) -3db Bandwidth: 100kHz; (7)Current - Input Bias: 5nA; (8)Operating Temperature: -25 to 85℃; (9)Voltage - Input Offset: 1000μV; (10)Lead Free Status: Lead Free; (11)RoHS Status: RoHS Compliant.
Features
3606BG features: (1)11 binary gains; (2)4-bit TTL gain control; (3)excellent gain nonlinearity; (4)low gain errors; (5)low gain drigt; (6)low voltage drift; (7)jogj CMR; (8)high input impedance; (9)low offset voltage.
Diagrams

| Image | Part No | Mfg | Description | ![]() |
Pricing (USD) |
Quantity | ||||||||||||
|---|---|---|---|---|---|---|---|---|---|---|---|---|---|---|---|---|---|---|
![]() |
![]() 3606BG |
![]() Texas Instruments |
![]() Special Purpose Amplifiers Dig-Cntrld Program- mable Gain Instr Amp |
![]() Data Sheet |
![]() Negotiable |
|
||||||||||||
| Image | Part No | Mfg | Description | ![]() |
Pricing (USD) |
Quantity | ||||||||||||
![]() |
![]() 36060 |
![]() Chemtronics |
![]() Chemicals 6" Polypropylene 500 PER BAG |
![]() Data Sheet |
![]()
|
|
||||||||||||
![]() |
![]() 36060ESD |
![]() Chemtronics |
![]() Chemicals 36060 swab with 500 PER BAG |
![]() Data Sheet |
![]()
|
|
||||||||||||
![]() |
![]() 36065 |
![]() Luxo Corporation |
![]() Hearing & Vision Aids 3-Diop Lens Accesory |
![]() Data Sheet |
![]()
|
|
||||||||||||
![]() |
![]() 3606BG |
![]() Texas Instruments |
![]() Special Purpose Amplifiers Dig-Cntrld Program- mable Gain Instr Amp |
![]() Data Sheet |
![]() Negotiable |
|
||||||||||||
![]() |
![]() 3606 |
![]() ebm-papst |
![]() Fans & Blowers 92x38mm 115AC 52CFM 11W 3200RPM 42dBA BB |
![]() Data Sheet |
![]()
|
|
||||||||||||
(Hong Kong)












