Product Summary
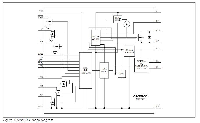
The MAX5922AEUI+T is a single-port network power controller with an integrated power MOSFET, operating from a +32V to +60V supply rail. The MAX5922AEUI+T is specifically designed for power-sourcing equipment (PSE) in power-over-LAN applications and is fully compliant to the IEEE 802.3af standard. The applications of the MAX5922AEUI+T are Power-Sourcing Equipment (PSE), Power-Over-LAN/Power-Over-MDI(Media-Dependent Interface), Computer Telephony, Single-Port Power Injector/Adapter, Midspan Power Injector, Switches/Routers with In-Line Power.
Parametrics
MAX5922AEUI+T absolute maximum ratings: (1)IN:-0.3V to +76V; (2)UVLO:-0.3V to +6V; (3)VDIG to DGND:-0.3V to +6V; (4)OUT:-0.3V to (VDRAIN + 0.3V); (5)DRAIN:-0.3V to (VIN + 0.3V); (6)RDT:-0.3V to +12V; (7)RCL to IN:-10V to +0.3V; (8)Maximum Current into Drain:0.8A; (9)Maximum Current into POK, ZC, CL0, CL1, CL2, FAULT:20mA; (10)Continuous Power Dissipation:1026mW; (11)Operating Temperature Range:-40°C to +85°C; (12)Junction Temperature:+150°C; (13)Storage Temperature Range:-65°C to +160°C; (14)Lead Temperature (soldering, 10s):+300°C.
Features
MAX5922AEUI+T features: (1)IEEE 802.3af Compliant; (2)+32V to +60V Wide Operating Input Range ; (3)0.45Ω Integrated Power Switch; (4)Power Device (PD) Detection and Classification; (5)100μA PD Leakage Detection Tolerant; (6)Programmable Current Limit; (7)Zero-Current Detection with Status Output; (8)Detection Collision Avoidance Option for Midspan Application; (9)Input Logic Signals Compatible with 1.8V to 5V CMOS Logic.
Diagrams

| Image | Part No | Mfg | Description | ![]() |
Pricing (USD) |
Quantity | ||||||||
|---|---|---|---|---|---|---|---|---|---|---|---|---|---|---|
![]() |
![]() MAX5922AEUI+T |
![]() Maxim Integrated Products |
![]() Hot Swap & Power Distribution 48V Single-Port Network Power Switch |
![]() Data Sheet |
![]()
|
|
||||||||
| Image | Part No | Mfg | Description | ![]() |
Pricing (USD) |
Quantity | ||||||||
![]() |
![]() MAX500 |
![]() Other |
![]() |
![]() Data Sheet |
![]() Negotiable |
|
||||||||
![]() |
![]() MAX5003 |
![]() Other |
![]() |
![]() Data Sheet |
![]() Negotiable |
|
||||||||
![]() |
![]() MAX5003-50W |
![]() Other |
![]() |
![]() Data Sheet |
![]() Negotiable |
|
||||||||
![]() |
![]() MAX5003C/D |
![]() Other |
![]() |
![]() Data Sheet |
![]() Negotiable |
|
||||||||
![]() |
![]() MAX5003CEE |
![]() Maxim Integrated Products |
![]() Voltage Mode PWM Controllers PWM Power-Supply Controller |
![]() Data Sheet |
![]() Negotiable |
|
||||||||
![]() |
![]() MAX5003CEE+ |
![]() Maxim Integrated Products |
![]() Voltage Mode PWM Controllers PWM Power-Supply Controller |
![]() Data Sheet |
![]() Negotiable |
|
||||||||
(Hong Kong)










