Product Summary
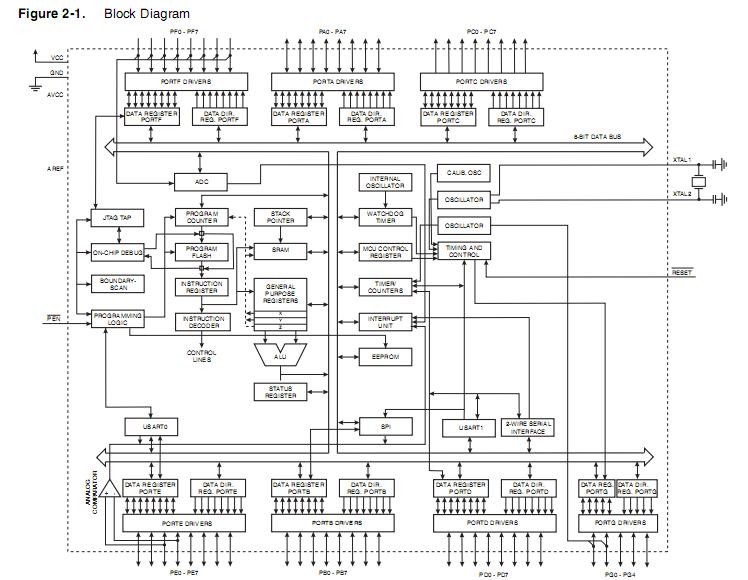
The ATMEGA64A-AU is a low-power CMOS 8-bit microcontroller based on the AVR enhanced RISC architecture. To ensure backward compatibility with the ATmega103, all I/O locations present in ATmega103 have the same location in ATMEGA64A-AU. Most additional I/O locations are added in an Extended I/O space starting from 0x60 to 0xFF. These location can be reached by using LD/LDS/LDD and ST/STS/STD instructions only, not by using IN and OUT instructions. The relocation of the internal RAM space may still be a problem for ATmega103 users. Also, the increased number of Interrupt Vectors might be a problem if the code uses absolute addresses. To solve these problems, an ATMEGA64A-AU compatibility mode can be selected by programming the fuse M103C. In this mode, none of the functions in the Extended I/O space are in use, so the internal RAM is located as in ATmega103. Also, the extended Interrupt Vectors are removed.
Parametrics
ATMEGA64A-AU absolute maximum ratings: (1)Operating Temperature:-55℃ to +125℃; (2)Storage Temperature:-65℃ to +150℃; (3)Voltage on any Pin except RESET with respect to Ground:-0.5V to VCC+0.5V; (4)Voltage on RESET with respect to Ground:-0.5V to +13.0V; (5)Maximum Operating Voltage:6.0V; (6)DC Current per I/O Pin:40.0mA; (7)DC Current VCC and GND Pins:200.0mA to 400.0mA.
Features
ATMEGA64A-AU features: (1)130 Powerful Instructions – Most Single Clock Cycle Execution; (2)32 x 8 General Purpose Working Registers + Peripheral Control Registers; (3)Fully Static Operation; (4)Up to 16 MIPS Throughput at 16 MHz; (5)On-chip 2-cycle Multiplier; (6)64K Bytes of In-System Reprogrammable Flash program memory; (7)2K Bytes EEPROM; (8)4K Bytes Internal SRAM; (9)Write/Erase Cycles: 10,000 Flash/100,000 EEPROM; (10)Byte-oriented Two-wire Serial Interface; (11)Dual Programmable Serial USARTs; (12)Master/Slave SPI Serial Interface; (13)Programmable Watchdog Timer with On-chip Oscillator; (14)On-chip Analog Comparator.
Diagrams

| Image | Part No | Mfg | Description | ![]() |
Pricing (USD) |
Quantity | ||||||||||||
|---|---|---|---|---|---|---|---|---|---|---|---|---|---|---|---|---|---|---|
![]() |
![]() ATMEGA64A-AU |
![]() Atmel |
![]() 8-bit Microcontrollers (MCU) 64K Flsh 2K EEPROM 4K SRAM 16MHz |
![]() Data Sheet |
![]()
|
|
||||||||||||
![]() |
![]() ATMEGA64A-AUR |
![]() Atmel |
![]() 8-bit Microcontrollers (MCU) AVR 64KB FLSH 2KB EE 4KB SRAM-16MHz IND |
![]() Data Sheet |
![]()
|
|
||||||||||||
(Hong Kong)










